• 方案介绍
  • 相关推荐
申请入驻 产业图谱

【物联网毕设】RFID设备智能管理-STM32+MQTT+APP

04/03 11:27
1485
加入交流群
扫码加入
获取工程师必备礼包
参与热点资讯讨论

目录

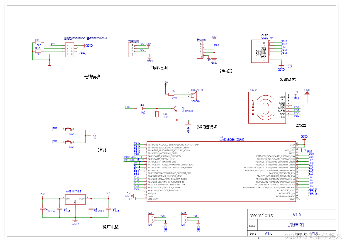
一 连线图

1 原理图

2 PCB效果

3 实物效果

4 APP效果

5 功能概括

(1)硬件端

(2)APP端

(3)云平台使用(阿里云)(需要可以找我获取)

(4)演示视频

二 底层代码使用方式

1 使用说明

2 下载程序

三 APP使用方式

1下载APP

四 程序架构及修改(通用)


前言

我们设计了一套基于STM32F103C8T6主控的RFID智能设备管理系统,系统分为设备端和主机端两部分。设备端通过ESP8266-01s WiFi模块实现网络连接,配备RFID读卡器用于设备身份绑定(支持重新绑定功能),0.96寸OLED显示屏实时显示设备状态数据,同时集成状态指示灯、蜂鸣器用于操作反馈,以及电流检测模块监测设备用电情况;用户可通过短按按键控制设备启停,长按按键切换设备工作模式。主机端同样采用STM32F103C8T6和ESP8266-01s方案,通过RFID读卡器读取已绑定设备的RFID卡来上报使用状态。系统通过MQTT协议与手机APP及阿里云平台实时通信,APP端可实现设备ID绑定、编辑物品信息(包括名称、入库时间和描述),并实时查询绑定设备的使用状态和用电情况,实现设备的智能化管理与监控。


关注微信公众号--星之援工作室 发送关键字(项目清单)
可获取项目清单资料

➡️➡️


⚠️⚠️(本文章仅提供思路和实现方法,并不包含代码,需要代码的同学请自行联系博主)

⚠️⚠️(有疑问或需要定制或者技术支持等,也请自行联系博主)⚠️⚠️


一 连线图

1 原理图

2. 开发板本身自带一个LED ,这个LED作为我们查看网络连接状态和获取数据状态的说明

(1)首先需要打开我们的WIFI热点让设备进行联网操作,看到显示数据界面,即可进行下一步功能测试

(2)硬件每隔8秒会向APP传输一次数据。

热点名字:NET密码:12345678,请使用2.4GHZ频率的无线网。

2 PCB效果

3 实物效果

4 APP效果

5 功能概括

(1)硬件端

设备端:

  1. ESP8266-01s:使用wifi模块进行联网使用;
  2. 0.96寸OLED:用于显示的设备的状态,实时显示数据;
  3. STM32F103C8T6:用于所有程序的中控和模块数据通信
  4. RFID读卡器:用于设备绑定RFID卡使用(可进行换绑)
  5. 状态灯与蜂鸣器:用于设备的运行状态反馈
  6. 电流检测模块:用于检测检测设备的使用情况

短按按键:可以开启和关闭使用的设备

长按按键:可以切换设备的模式

主机端:

  1. ESP8266-01s:使用wifi模块进行联网使用;
  2. 0.96寸OLED:用于显示的设备的状态,实时显示RFID数据;
  3. STM32F103C8T6:用于所有程序的中控和模块数据通信;
  4. RFID读卡器:使用设备的frid卡进行使用状态的上报(需要刷绑定设备的RFID卡有效)

(2)APP端

  1. 使用MQTT协议与设备进行信息交互;
  2. 可采集到底层设备数据并且展示到界面UI;
  3. 可使用app进行绑定id号
  4. 可以在app中进行物品名称编写,入库时间编写以及物品描述
  5. 可以在app查询绑定了的物品的使用状态和使用情况

(3)云平台使用(阿里云)(需要可以找我获取)

只是链接各个设备使用,采用MQTT即时通讯;

(4)演示视频

通过网盘分享的文件:172.1.RFID设备智能管理-WiFi.mp4

链接: https://pan.baidu.com/s/1L9mnmtxJ2OF667toKG1dOw?pwd=XZY0 提取码: XZY0

--来自百度网盘超级会员v7的分享

二 底层代码使用方式

1 使用说明

(1). 使用的时候设备会自动连接WIFI

热点名字:NET密码:12345678,请使用2.4GHZ频率的无线网。

(2). 按键一可以直接开启和关闭风扇

(3). 按键二可以直接开启和关闭阀门

(多看视频,视频中有完整功能演示)

(多看视频,视频中有完整功能演示)

(多看视频,视频中有完整功能演示)

2 下载程序

  1. 先根据原理图进行连线,连接好以后在做后面的操作
  2. 打开手机热点 热点名字:NET密码:12345678
  3. 打开程序(硬件由工作室出的可以忽略下载程序这部分)

三 APP使用方式

1下载APP

(1)操作方式:

使用Android手机安装APK进行操控

安装Android studio导入项目使用模拟器

官网下载最新版本

https://developer.android.google.cn/studio?hl=zh-cn

安装包(工作室使用版本)链接:

https://pan.baidu.com/s/1DnRGWeJt7XBTmzqHj1KRSQ?pwd=xzy0

提取码:xzy0

安装教程

https://zhuanlan.zhihu.com/p/528196912

(2)使用说明

打开APP后设备会自动订阅MQTT主题,等待1-5秒APP会自动获取到设备上的数据,若5秒内没有获取到设备数据,则请检测设备是否在线,若在线,则请重新打开APP进行数据的获取

(多看视频,视频中有完整功能演示)

(多看视频,视频中有完整功能演示)

(多看视频,视频中有完整功能演示)

四 程序架构及修改(通用)

链接:

https://pan.baidu.com/s/1TZkvdEOp-ERgi-2A1o-KWw?pwd=XZY0

提取码:XZY0

APP参数修改

联系方式 微信号:13648103287

相关推荐