高压输入场景大电流降压转换效率低、小体积封装难以兼顾宽压与大电流适配、高压工况下安全防护机制不完善,作为设备供电的核心组件,电源管理芯片的稳压、稳流、能效控制、安全防护能力直接决定终端产品的稳定性、能效水平与小型化程度。作为矽力杰核心合作代理商,佰祥电子本期为您深度解析 SQ27001FCC 电源管理芯片。

一、原生集成:一体化架构设计,适配高压降压供电需求

二、五大核心技术亮点,破解高压降压设计痛点
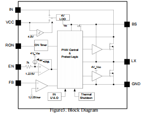
亮点一:核心精准调控技术

亮点二:全工况高效运行控制
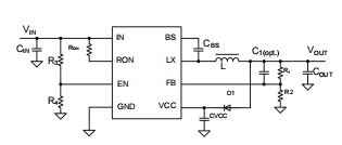
芯片集成 500mΩ 主开关与 240mΩ 同步整流开关,有效降低高压工况导通损耗,全程保持连续导通模式稳定运行,支持 VCC 引脚辅助供电切换,大幅降低内部 LDO 功耗,全电压范围保持高效转换。
亮点三:输出性能优化功能

亮点四:超低启动与静态功耗
芯片输入欠压锁定阈值为 6.3V,低电压即可完成启动,EN 引脚具备 1.225V 精准启动阈值与 0.25V 迟滞,关断电流最大仅 30μA,满足高压设备低功耗待机与启停需求。
亮点五:全维度硬件安全保护
芯片集成逐周期峰值电流限制保护,高端 FET 峰值限流可达 2.2A,内置 150℃过温关断保护且具备 15℃迟滞自动恢复功能,配备输入欠压锁定与输出异常限流折返保护,全方位防护高压系统安全。

三、产品核心价值与定位
总体而言,SQ27001FCC 绝非一款简单的 “电源管理芯片”,而是矽力杰针对高压降压供电场景,在高集成、低成本、高能效、高可靠性、小型化五大核心需求上做出的精准工程取舍,充分体现了矽力杰在电源管理芯片领域的深厚技术底蕴。该芯片适用于隔离通信偏置电源、次级高压后级稳压器、汽车系统场景。作为矽力杰的核心合作代理商,佰祥电子不仅提供原装正品的 SQ27001FCC 全系列芯片,更将持续结合客户的实际产品应用场景,提供从器件选型、原理图评审、PCB Layout 指导到系统级 Debug 的全方位技术支持,助力您的通信电源、汽车电子设备在高压供电领域实现更高效、更可靠的落地。随着工业控制、车载电子向 100V 级高压化、大电流、小型化方向发展,宽压输入高压同步降压转换器成为供电设计刚需,SQ27001FCC 凭借超宽压输入、1A 大电流、全场景防护特性,成为高压降压供电选型的优选方案。
阅读全文
153