• 正文
  • 相关推荐
申请入驻 产业图谱

RTQ2134-QA:可配置为 2 或 3 输出的车用多相大电流 Buck 转换器

2021/04/07
125
加入交流群
扫码加入
获取工程师必备礼包
参与热点资讯讨论

我们使用的汽车正在向着绿色节能、网络化、智能化的方向发展,车载电子设备的计算能力越来越高,作为人机界面的屏幕显示效果越来越好,内容越来越丰富。因为未来汽车那看得见的美好,各种资源都在向着这个领域汇聚,部分造车新势力的市场价值远远超越传统车企,能够完全实现自动驾驶的好日子似乎很快就要到了,想起来还是有点让人期盼的,我就盼着自己还在使用的车子能够顽强一点,熬到符合我理想的车子出现时再去更换。

车载电子设备的能力越高,其内部资源也越多,耗电必会大幅增加,这对电源管理而言其实是个挑战。以先进制程打造出来的 CPU、GPU 能以更低的电压工作,但由于其内部资源的增多和运算速度的提高,需要消耗的电流也在大幅增长,再加上这些复杂器件的内部资源并非总是处于平稳的工作状态,按需启动的它们在一启一停之间便把瞬态的冲击施加到了电源上,加大了电源稳定其输出的难度,因而要求电源器件在有更大的负载能力、更高的调节精度的同时还要有更低的纹波指标和更快的应变能力,同时也要有更高的可靠性,能够耐受各种恶劣环境的考验,能够顺利通过严格的车规认证。

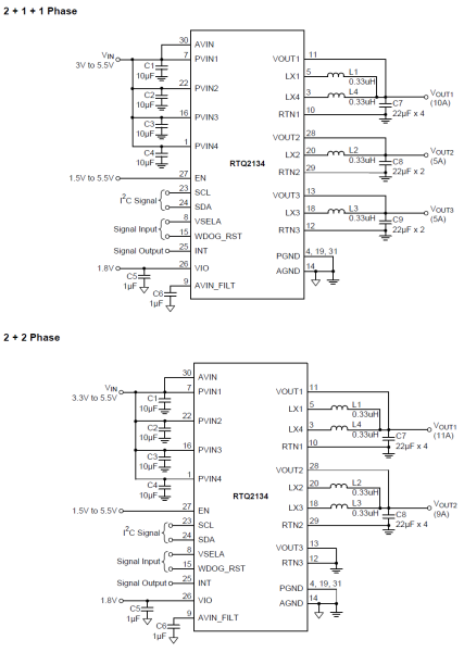
RTQ2134-QA 是通过了 AEC-Q100 Grade 1 认证的电源管理器件,它的内部包含有 4 路可以合并输出或单独输出的同步 Buck 转换器,其中的每一路都具有 5.5A 的电流输出能力,只需在其内部包含的一次性可写入存储器里写入特定的数据即可将其配置为 2+2 或 2+1+1 的形式,可分别提供 10A+10A 或 10A+5A+5A 的两组或三组输出,而每组输出的电压都可通过 I2C 接口进行动态调节以满足负载各种运行模式的需求。
 

当两路以上的 Buck 合并运行时,合并在一起的各路以不同的相位运行是最合理的安排,这样可以使输入、输出纹波最小化,使整个系统的性能最优化,这便是 RTQ2134-QA 采用的多相运行模式,下图是其规格书里出示的 Buck1 和 Buck4 两相运行时的波形图,在负载电流为 11A  的情况下,输出纹波的峰峰值只有几个 mV。
 

现今的高性能处理器通常由多个内核构成,假如是 FPGA 则包含了大量可编程的逻辑单元,各内核或根据功能的需要而划分为区块的逻辑单元仅在有任务运行需求时才会进入工作状态,其他时候则处于待机状态,这样的一进一出对电源转换器来说便是负载的大幅跳变,必会造成其输出电压的下坠或隆起,逼得转换器必须以极快的速度对此进行响应,以便能将输出电压迅速拉回到原来的稳定状态,RTQ2134-QA 解决此问题的办法是采用 ACOT™(Advanced Constant-On-Time, 改进型固定导通时间)控制架构,它能在发现反馈电压低于参考电压时迅速开启导通时段以实现对输出端的能量补充,最大时延仅为 100ns。在经过固定的导通时间后,如发现输出电压还没有恢复则又会在最多 100ns 以后再次进入导通时段,因而可以用最快的速度将输出电压修正到预设状态。

上图所示的便是 RTQ2134-QA 分别在两相或单相运行时面对负载的突然增加的反应过程,很显然是两相运行时的输出电压修复能力会更强一些。

对于负载的突然降低,Buck 转换器的响应是尽快结束上桥开关的导通时段,RTQ2134-QA 因为采用 ACOT® 控制架构而能立即进入这一状态,但是暂时失去原有出路的电感储能仍会因为向输出电容的转移而造成输出电压的隆起,这部分能量需在负载将其消耗以后输出电压才会自然回到稳定状态。

将两个以上的 Buck 转换器组合成为多相运行状态的目的是提高负载能力、降低单个转换器所用元件的负担并使整体性能更优,但是每个转换器的运行都会造成一定的损耗。为了平衡这样的矛盾,RTQ2134-QA 在以组合方式运行的两相转换器中加入了自动增相、减相的功能,能在负载大于一定水平(3A)时自动进入两相运行模式,又能在负载降低到一定水平(2.6A)时自动切换回单相运行模式,尽量把不必要的消耗自动降下来,因而具有低消耗、高供给的能力。为了进一步降低损耗,RTQ2134-QA 还具有用户可选的轻载节能模式,这是一种电流不连续的运行方式,自然会带来输出纹波变大的结果,如果这是不可接受的,用户可在需要时将其设定为强制电流连续模式,这时便可以得到输出电压调节精度最高的状态。

对于需要在运行中改变工作电压的应用,RTQ2134-QA 支持以最高 3.4MHz 的时钟速度通过其 I2C 接口对其输出电压在 0.3V~1.85V 的范围内进行动态调节,也可以通过一个外接的输入信号对两个寄存器里设定的输出电压数据进行选择以实现快速的输出电压切换,而输出电压由一个水平变化到另外一个水平的速度是可以由用户进行设定的。
 

作为一款车用电源管理芯片,RTQ2134-QA 使用了方便进行光电式焊接状态检查的 WET-WQFN-30L 4.5x4(FC) 封装,其中的 FC 说明其内部使用的是晶粒倒装结构,具有很好的功率耗散能力。其引脚布置是经过 FMEA 即失效模式及其影响分析的结果,可以防范相邻引脚短路、外部电路故障等可能带来的恶劣影响,可避免发生燃烧等严重事故。
RTQ2134-QA 的设计中也包含了许多故障防范措施如过流保护、欠压保护、超时保护、软启动和过热保护等,在各种故障发生时均可以发出中断信号的方式向控制系统发出通知以方便其进行处理,而暂存于寄存器里的数据则容许其查询故障所在,使问题处理过程能够更直接、更方便。

RTQ2134-QA 的输入电压范围为 3V~6V,用于车机系统时可以利用我们介绍过的 RTQ2965-QA 等高压 Buck 器件作为电压预调节器去承接来自车辆电池总线的高压,高低搭配的结果是可以带来最佳的性能和成本效益,也使这些不同的器件能够各得其所,为人类的幸福生活做出最大的贡献。

以上内容转载自 RichtekTechnology。

相关推荐