扫码加入

  • 正文
  • 相关推荐
申请入驻 产业图谱

昂科烧录器支持HDSC华大半导体的32位微控制器HC32L110C6P

2024/09/24
972
加入交流群
扫码加入
获取工程师必备礼包
参与热点资讯讨论

芯片烧录行业领导者-昂科技术近日发布最新的烧录软件更新及新增支持的芯片型号列表,其中HDSC华大半导体的32位微控制器HC32L110C6P已经被昂科的通用烧录平台AP8000所支持。

HC32L110C6P是一款旨在延长便携式测量系统电池使用寿命的超低功耗、Low Pin Count、宽电压工作范围的MCU。集成12位1Msps高精度SARADC以及集成了比较器、多路UARTSPII2C等丰富的通讯外设,具有高整合度、高抗干扰、高可靠性和超低功耗的特点。

HC32L110C6P内核采用Cortex-M0+内核,配合成熟的Keil & IAR调试开发软件,支持C语言及汇编语言,汇编指令。

典型应用

产品特性

  • 32MHz Cortex-M0+ 32位CPU平台
  • 具有灵活的功耗管理系统,超低功耗性能

– 0.5μA @ 3V 深度休眠模式:所有时钟关闭,上电复位有效,IO状态保持,IO 中断有效,所有寄存器,RAM 和 CPU 数据保存状态时的功耗

– 1.0μA@3V深度休眠模式+RTC工作

– 6μA@32.768kHz低速工作模式:CPU和外设模块运行,从 flash 运行程序

– 20μA/MHz@3V@16MHz休眠模式:CPU停止工作,外设模块运行,主时钟运行

– 120μA/MHz@3V@16MHz工作模式:CPU和外设模块运行,从Flash运行程序

– 4μs超低功耗唤醒时间,使模式切换更加灵活高效,系统反应更为敏捷

– 上述特性为室温下典型值,具体的电气特性、功耗特性参考电气特性章节

  • 16K/32K字节Flash存储器,具有擦写保护功能
  • 2K/4K字节RAM存储器,附带奇偶校验,增强系统的稳定性
  • 通用I/O管脚(16IO/20pin, 12IO/16pin)
  • 时钟、晶振

– 外部高速晶振4~32MHz

– 外部低速晶振32.768KHz

– 内部高速时钟4/8/16/22.12/24MHz

– 内部低速时钟32.8/38.4KHz

硬件支持内外时钟校准和监控

– 3个通用16位定时器/计数器

– 3个高性能16位定时器/计数器,支持PWM互补,死区保护功能

– 1个低功耗16位定时器/计数器

– 1个可编程16位定时器/计数器,支持捕获比较,PWM输出

– 1个20位可编程计数看门狗电路,内建专用超低功耗RC-OSC提供 WDT计数

  • 通讯接口

– UART0-UART1标准通讯接口

– LPUART支持使用低速时钟的超低功耗通讯接口

– SPI标准通讯接口

– I2C标准通讯接口

  • 蜂鸣器频率发生器,支持互补输出
  • 硬件万年历RTC模块
  • 硬件CRC-16模块
  • 唯一10字节ID号
  • 12位1Msps采样的高速高精度SARADC,内置运放,可测量外部微弱信号
  • 集成6位DAC和可编程基准输入的2路电压比较器VC
  • 集成低电压侦测器LVD,可配置16阶比较电平,可监控端口电压以及电源电压
  • 嵌入式调试解决方案,提供全功能的实时调试器
  • 工作温度:-40℃~85℃
  • 工作电压:1.8V~5.5V
  • 封装形式:QFN20,TSSOP20,TSSOP16,CSP16

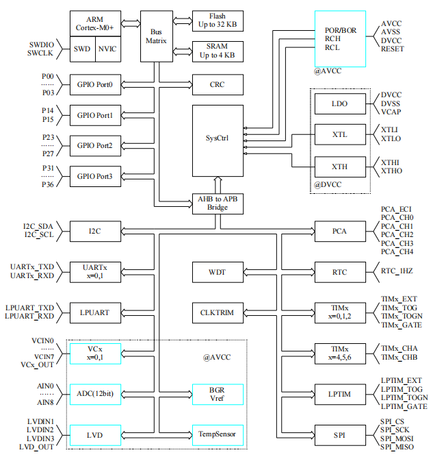
功能框图

昂科技术自主研发的AP8000万用烧录器包含主机,底板,适配座三大部分。

主机支持USB和NET连接,允许将多台编程器进行组网,达到同时控制多台编程器同时烧录的目的。内置芯片安全保障电路保证即使芯片放反或其他原因造成的短路可以被立即检测到并进行断电处理,以保障芯片和编程器安全。内嵌高速FPGA,极大地加速数据传输和处理。主机背部有SD卡槽,将PC软件制作得到的工程文件放到SD卡的根目录下并插入到该卡槽内,通过编程器上的按键可进行工程文件的选择,加载,执行烧录等命令,以达到脱离PC便可操作的目的,极大地降低了PC硬件配置成本,方便迅速地搭配工作环境。

AP8000通过底板加适配板的方式,让主机扩展性更强,目前已经支持了所有主流半导体厂家生产的器件,包括TI, ST, MicroChip, Atmel, Hynix , Macronix, Micron, Samsung ,Toshiba等。支持的器件类型有NAND,NOR,MCU,CPLD,FPGA,EMMC等,支持包括Intel Hex,Motorola S, Binary, POF等文件格式。

公司介绍

关于华大半导体:华大半导体(HDSC)是中国电子信息产业集团有限公司(CEC)旗下专业的集成电路发展平台公司,围绕汽车电子工业控制、物联网三大应用领域,重点布局控制芯片功率半导体、高端模拟芯片安全芯片等,形成整体芯片解决方案,形成了竞争力强劲的产品矩阵及全面的解决方案。

关于昂科技术:昂科技术(ACROVIEW)是全球领先的半导体芯片烧录解决方案提供商,公司坚持以科技改变世界、用智能驱动未来,持续不断的为客户创造价值。昂科的AP8000通用烧录器平台及最新的IPS5000烧录自动化解决方案,为半导体和电子制造领域客户提供一站式解决方案,公司已服务包括华为比亚迪富士康等全球领先客户。

相关推荐