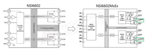
纳芯微正式推出车规级隔离半桥驱动芯片NSI6602MxEx系列,该系列在纳芯微明星产品NSI6602基础上,集成了米勒钳位功能,同时兼具高隔离电压、低延时、死区可配、欠压阈值可选等特点,适用于驱动SiC、IGBT等器件,可广泛应用于新能源汽车OBC、DC/DC、主动悬架等场景。


NSI6602MxEx与NSI6602功能框图对比
5A米勒钳位功能助力半桥电路安全可靠
在实际应用中,OBC/DCDC、工业电源、电机驱动等桥式电路的功率器件容易发生串扰行为,尤其伴随着第三代功率器件如SiC和GaN的应用,门极阈值电压以及最大耐受负压双双减小,使得抑制寄生导通的电压裕量在不断减小。在使用传统半桥驱动芯片时,为了避免因米勒效应引发的桥臂直通,通常需要调整驱动电路。
然而,在很多情况下,即使精心调整了驱动参数、正负供电电压,以及优化PCB栅极寄生参数,也难以同时将正负串扰控制在安全余量以内。这不仅限制了碳化硅等器件性能的发挥,也可能带来潜在的安全隐患。

开关过程中米勒效应原理
纳芯微推出NSI6602MxEx系列,为两路半桥驱动电路集成5A能力的米勒钳位功能,能够为米勒电流提供最小阻抗释放路径,有效抑制串扰电压的抬升。NSI6602MxEx在NSI6602基础上全副武装,为SiC等器件的安全应用保驾护航。
NSI6602MxEx米勒钳位方案应用分享
在使用SiC功率器件时,由于其高dv/dt特性,门极常常遭遇正负串扰电压(Vswing)幅度超出门极开启阈值(Vgsth)及负向耐压极限(Vgs_min)的情况。这种串扰容易导致误导通或器件损伤,是高性能驱动设计的一大挑战。

常规驱动方案
如上图常规解决 SiC 器件门极串扰方案所示,这些传统手段虽然“理论可行”,但在高频高压的SiC应用中仍难以同时达到低损耗与安全余量的双重目标。
下图展示了某款SiC器件分别搭配NSI6602MxEx和传统无米勒钳位驱动芯片的对比测试结果。在相同驱动参数与layout条件下,NSI6602MxEx能显著抑制正负Vswing,搭配适当负压关断后,可将门极串扰压制至安全范围以内。

不同器件的串扰摆幅Vswing对比波形

不同方案效果对比
更进一步,对于部分 Ciss/Crss 优化良好的器件,NSI6602MxEx 甚至无需负压,也能实现串扰可控,极大降低系统设计复杂度。
附:测试电路及上管开通关断时刻下管测试波形

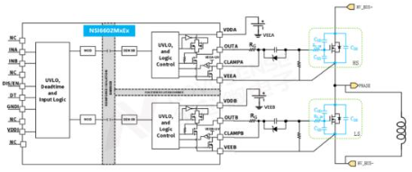
NSI6602MxEx测试电路

上管开通时刻下管测试波形
±10A输出电流助力外围电路精简设计
NSI6602MxEx提供超强驱动能力,最大可输出10A的拉灌电流,支持轨到轨输出。无论是直接驱动更大栅极电荷(Qg)的功率管,还是在多管并联的应用中,与传统方案相比,NSI6602MxEx无需额外添加缓冲器,即可实现高效驱动,有效简化外围电路设计。此外,32V最大工作电压,极限35V的最大耐压,可以应对更高的EOS冲击,搭配精简的驱动外围设计,大幅提高了整个电路系统的可靠性。
可编程死区及多档欠压阈值助力设计灵活配置
NSI6602MxEx支持通过DT引脚进行死区配置,通过调整下拉电阻可以灵活配置不同死区时间,此外还可以将DT引脚直接接到原边VCC用来两路驱动并行输出;搭配DIS/EN两种可选的使能逻辑,为终端应用提供丰富的控制逻辑;另外,副边电源欠压UVLO设有8V,12V,17V三种选择,适配于IGBT和SiC应用中多种电源设计场景的欠压保护。
NSI6602MxEx产品特性:
- 5700VRMS隔离耐压,可驱动高压SiC和IGBT
- 高CMTI:150 kV/μs
- 输入侧电源电压:3V ~ 18V
- 驱动侧电源电压:高达 32V
- 轨到轨输出
- 峰值拉灌电流:±10A
- 峰值米勒钳位电流:5A
- 驱动电源欠压:8V/12V/17V三档可选
- 可编程死区时间
- 可选的正反逻辑使能配置
- 典型传播延时:80ns
- 工作环境温度:-40℃ ~ 125℃
- 符合面向汽车应用的 AEC-Q100 标准
- 符合 RoHS 标准的封装类型:SOW18,爬电距离 >8mm

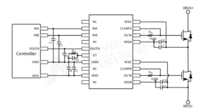
典型应用电路
产品选型与封装
NSI6602MxEx系列提供六种型号可选,具备丰富的使能逻辑配置和驱动电源欠压值规格,灵活适配多种应用场景。

1018