扫码加入

  • 正文
  • BOM清单
  • 相关推荐
申请入驻 产业图谱

SC09B触摸滑条方案 智能家居调光调音量 一体化控制新体验

2025/07/18
1108
加入交流群
扫码加入
获取工程师必备礼包
参与热点资讯讨论

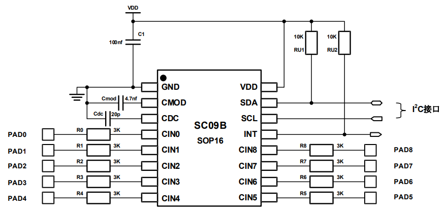
触摸芯片SC09B在触摸滑条/滚轮/滑弧的应用

工作原理:

由硬件实现的专用触摸芯片通过触摸滑条/滚轮/滑弧结构设计来实现产品常见触控。

实现功能:

产品的触摸开关、模式选择、亮度调节、音量调节、菜单导航、功能选择等。

主要特点:

按键处理逻辑快速,物理结构定位,定位精准,实现简单。

相关型号:

SC09B、SC05B、SC12A、SC12B

多型号可根据应用需要选择合适型号

应用电路

应用领域:

厨卫家电、健康家电、消费电子、户外设备等

BOM清单

更多器件
器件型号 数量 器件厂商 器件描述 数据手册 ECAD模型 风险等级 参考价格 更多信息
SC09B 1 晶尊微(ICman) 未精准适配到当前器件信息,点击查询推荐元器件
晶尊微电子

晶尊微电子

ICman主要从事触摸芯片、水位检测芯片与人体检测芯片的设计研发与销售,已有20年的行业经验,是国内最早从事触摸专用芯片和水位检测芯片的集成电路设计公司,以卓越的性能成为行业标杆企业,为广大客户提供超强稳定性和高抗干扰的触摸芯片、水位检测芯片,并为触摸和水位检测等方面提供良好的解决方案。

ICman主要从事触摸芯片、水位检测芯片与人体检测芯片的设计研发与销售,已有20年的行业经验,是国内最早从事触摸专用芯片和水位检测芯片的集成电路设计公司,以卓越的性能成为行业标杆企业,为广大客户提供超强稳定性和高抗干扰的触摸芯片、水位检测芯片,并为触摸和水位检测等方面提供良好的解决方案。收起

查看更多

相关推荐