南芯科技(证券代码:688484)正式发布第二代车规级高边开关 (HSD) SC77450CQ,基于国内自主研发的垂直沟道 BCD 集成工艺和全国产化封测供应链,在 N 型衬底单晶圆上实现了 MOS 与控制器的融合,为客户带去更加便捷的系统开发体验。SC77450CQ 打破了海外技术垄断,是国内首颗全国产供应链垂直集成工艺的高边开关产品。

双轨演进,领航市场
基于当前国内产业链的发展现状,南芯科技在合封工艺和集成工艺的双轨工艺演进路线上,投入大量资源同步演进,推出高性能的 HSD 家族产品系列。
垂直沟道 BCD 集成工艺是一种单片晶圆级技术,在同一 N 型硅衬底上制造双极性晶体管 (Bipolar)、CMOS、DEMOS、LDMOS、VDMOS。合封工艺则是在封装阶段把功率器件、控制 IC 通过平铺或堆叠方式装入同一封装体,用引线完成电气连接,芯片之间保持物理独立。
集成工艺具有共衬底、短互连的特点,特别适合高边开关产品,但技术长期被海外厂商垄断;合封工艺则可以针对 MOS 管和控制器分别采用当前国产最成熟的工艺制程,电压等级可延展性更强。下图展示了集成工艺和合封工艺的原理图及关键特征对比。

工艺原理图及关键特征对比。左:集成工艺,右:合封工艺
南芯科技在车身控制领域投入已久。针对智能高边开关产品,南芯科技基于双轨工艺演进路线,目前已推出 30 余款不同封装形式的高性能产品,并设立专门的工艺团队,与国内晶圆厂深度合作,持续突破技术瓶颈,率先落地第二代集成工艺高边开关。第三代南芯自研 COT 工艺平台也已启动开发,通过自主掌控工艺开发,突破传统代工模式的限制,在车规级产品等高端市场建立竞争优势。此前,南芯科技还推出了国内首个量产的 eFuse SC77010Q。

南芯科技高边开关产品家族
高效驱动,安全守护
SC77450CQ 采用垂直 BCD 集成工艺平台设计,是一款四通道智能高边开关,导通电阻低至 50mΩ,可实现 4V-28V 宽压供电、40V 抛负载耐压及 0.5μA 待机电流。该产品可实现高精度电流检测,2A 时电流检测精度达 ±4%;采用带散热焊盘的 eSSOP-14 封装,引脚兼容国际竞品。

SC77450CQ 引脚图
SC77450CQ 集成了完备的保护机制和精确的诊断功能,包括过流和对地短路自关断、相对过热保护和绝对过热保护、智能锁止功能、负电压钳位、关断状态开路和对电池短路检测、掉地与掉电保护、过压与欠压保护,可多路复用模拟信号输出,实时按比例反馈各通道负载电流。

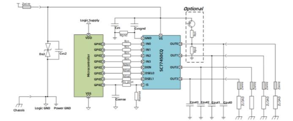
SC77450CQ 典型应用图
以下波形图展示了 SC77450CQ 在各种严苛工况条件下的卓越表现,包括:驱动卤素灯负载、驱动容性负载、感性负载关断、输出开通后短路、输出短路再开通等情况。

卤素灯负载测试波形图(Vs=16V,芯片环温 105℃,5W 卤素灯保持 -40℃,一次开启)

容性负载测试波形图(Vs=12V,Load=10μF//20Ω,Ta=25℃,600μs 电容充满)

感性负载测试波形图(Vs=14V,idc=7A,Iload=0.5mH,Ta=25℃)

输出开通后再短路测试波形(Vs=18V/0.5 米线,Vout 5 米线,Ta=25℃)

输出短路再开通测试波形(Vs=20V/5 米线,Vout 0.5 米线,Ta=25℃)
南芯科技车规级产品家族
南芯科技汽车解决方案面向未来绿色和智能的出行方式,涵盖智能驾驶、车身控制、智能座舱和车载充电等应用,致力于为客户推出一站式芯片解决方案。我们扎根于客户研发场景,基于客户应用不断进行定制设计迭代,帮助客户在汽车核心应用领域更快地设计出效率更高、集成度更高、安全性更高的产品。
*本文中图表数据为理论值,均来自南芯内部实验室,于特定测试环境下所得(请见各项具体说明),实际使用中可能因产品个体差异、软件版本、使用条件和环境因素不同略有不同,请以实际使用的情况为准。
1262
