近年来全球储能呈现爆发式增长态势,2024年全球储能新增装机量约175.4GWh,据预测,2025年全球新增储能容量将达247GWh,同比增长35%。随着储能不断增长,安全事故也呈现出上升趋势,根据统计数据显示:2025年1-5月全球新增18起储能相关的安全事故,其中系统层面的缺陷占比高达72%,绝缘故障和漏电就像储能系统的“隐形杀手”,是导致事故的主要隐患之一,储能安全问题成为行业关注的焦点。本文聚焦储能系统中绝缘故障,探讨磁通门漏电传感器在储能系统中的安全应用。
一、储能系统结构与漏电风险源分析
1.储能系统架构
这里讲的储能系统是指电化学储能系统(ESS),其基本组成:电池组、PCS(能量转换系统)、BMS(电池管理系统)、EMS(能量管理系统)。
下图为电化学储能框架图,其中红线为电力流向,展示电能在系统中的传输路径,蓝线表示通信数据流向,展示各模块之间的数据交互和通信路径。
2.储能系统的漏电危害:
直流侧漏电:电池簇间短路、绝缘失效导致热失控。
交流侧漏电:接地故障引发设备损坏或人身触电。
直流侧的漏电通常称为“绝缘故障”,是储能系统安全的核心隐患,因为直流电弧比交流电弧更难熄灭,危险性极高。
3.直流侧漏电风险点详解
4.电池内部
电芯漏液:电池因过充、过热、内部短路或外力损伤导致壳体破裂或防爆阀开启,电解液发生泄漏。电解液是导电的(尤其是锂盐溶液)。一旦泄漏,会污染电池模组、托盘和箱体,在电池极柱(高压)与电池外壳(通常与地/机箱相连)之间形成一条导电通路,产生持续的漏电流。这是非常典型的漏电故障。
隔膜损坏:制造缺陷、锂枝晶刺穿或长期老化导致内部隔膜局部破损。隔膜破损会导致正负极之间发生微短路(Micro-short)。虽然未立即引发严重短路,但会形成一个持续的异常漏电流通道,并随时间推移不断恶化,最终可能引发热失控。
电池模组与电池簇层级
连接点异常:模组之间的连接铜排(Busbar)螺栓松动、连接面腐蚀、被污染(如安装时留有金属碎屑)。异常连接点会导致接触电阻增大,局部持续过热,烧毁周围的绝缘材料(如青稞纸、塑料支架),最终使高压导体直接暴露并与金属固定件或机柜接触,造成对地漏电。
高压线缆与铜排:线缆因长期振动与金属边缘摩擦、安装时被划伤、高温老化导致绝缘层(橙色的直流专用绝缘层)破损。 裸露的导体一旦接触到电池簇的金属框架、托盘或箱体,就会立即发生漏电。电池簇内部空间紧凑,高压线路密集,此类风险极高。
BMS采样线束:用于监测电压和温度的采样线通常较细,其绝缘层可能因磨损、高温而破损。采样线本身是低压线路。如果其绝缘破损的位置与高压部件接触,可能导致高压电串入低压的BMS控制系统,造成整个BMS瘫痪甚至引发火灾。
电池系统层级
冷却液泄漏:原因是冷却管道接头密封失效、管道因振动疲劳断裂或被腐蚀破洞。液冷系统特有风险: 冷却液(通常是水-乙二醇混合液,具有导电性)泄漏后,会喷洒或滴落到电池模组、高压接线箱、铜排等带电部件上,在多个带电体之间或带电体与地之间形成导电桥梁,引发大规模绝缘下降甚至短路。
灰尘与凝露:一般原因是系统密封不严,灰尘侵入。在昼夜温差大的环境下,空气中的水汽在冰冷的金属表面和电路板上凝结成水珠。灰尘与水汽混合后,会在绝缘表面(如PCB电路板、连接器)形成一层导电膜,显著降低绝缘电阻,导致爬电(电流沿着表面泄漏)。
安装与维护问题:安装或维护过程中,工具(如螺丝刀)意外跌落磕碰、遗留的金属工具或零件落在带电部件上。此类问题直接造成正极或负极与机柜的短路和漏电。
二、储能漏电监测的技术方案对比
鉴于以上危害,建议除了在设计初期采用冗余绝缘设计和故障隔离措施,还要加强环境控制(防潮、防尘、防腐蚀)外,定期进行绝缘电阻测试和漏电流监测,如有条件,在直流侧采用高灵敏度漏电流传感器(如磁通门传感器)实时监控。
| 技术方案 | 原理简述 | 优点 | 缺点 |
| 绝缘监测装置(IMD) | 注入信号法测量绝缘电阻 | 成熟、适用于直流系统 | 响应慢、无法定位故障点 |
| 残余电流互感器 | 检测不平衡电流 | 适用于交流侧 | 直流漏电检测能力弱 |
| 电阻分压法 | 测量对地电阻 | 成本低 | 精度低(>100mA) |
| 磁通门传感器 | 高频磁通门技术 | 高精度(μA级)、低温漂 | 成本较高 |
结论:磁通门技术更适合储能系统对微小漏电流和快速响应的严苛需求。
三、FR2V H00 系列简介
FR2V系列是芯森电子自主研发的基于磁通门技术的高精度电流传感器,其原理是基于磁饱和效应,能够高精度检测直流和交流电流,FR2V专为直流漏电流监测设计,测量漏电范围从±15mA到±300mA,满足不同应用场景。
产品特性:
电压输出
原材料符合UL 94-V0(黑色)
高精度
非常低的零点温漂
执行标准:
IEC 60664-1:2020
IEC 61800-5-1:2022
IEC 62109-1:2010
参数特点:
电压输出
供电电压:±12V~±15V
额定量程:±10~300mA
测量范围:±15~360mA
工作范围:-40~70°C
典型精度:±0.5%
响应时间:500ms
绝缘耐压:3kV
理论增益:500V/A
线性度:5%
零点温漂:±1.5mV/k
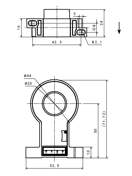
产品尺寸:
典型应用电路:
五、FR2V在电化学储能系统中的应用
- 光伏逆变器:监测直流侧漏电流,预防逆变器故障。
电池堆叠系统:实时监测绝缘状态,避免电池组过热。
储能电站:多级安全防护,降低火灾风险。
当然,储能安全是一个系统工程,单一技术无法解决所有问题。FR2V传感器作为关键监测工具,为系统提供实时数据支持,但安全防护还需:
多级预警机制:结合BMS、EMS实现联动响应。
定期维护:确保传感器和设备处于最佳状态。
标准化设计:遵循IEC等国际标准,提升系统整体安全性。
六、结语:以技术守护安全
储能系统的安全运行离不开精准的漏电监测。磁通门传感器作为“隐形守护者”,为储能系统构筑了第一道防线。然而,安全无绝对,只有通过技术创新和系统化管理,才能真正实现“防患于未燃”。
1297
