作者:Michael Wu,资深应用工程师
摘要
本文介绍一款小尺寸、功能强大、低噪声的单芯片同步升压转换器。文章重点介绍了该集成电路的多个特性。这些特性能够增强电路性能,并支持定制,以满足各种应用的要求。
简介
传统的同步升压转换器几乎无法针对输出端短路事件提供保护。升压转换器的拓扑结构决定了,当输出短接到地时,会形成从输入到地的直通路径,从而产生巨大的短路电流,可能严重损坏器件。相比之下,这款单芯片同步升压转换器具有短路保护功能,可以监控输入,并在发生短路时断开输入,从而保护器件免受损坏。
LT8342 集成了40 V、9 A电源开关,输出电压可编程,最高可达36 V。它还支持2.8 V至40 V的宽输入电压范围;针对VIN ≥ VOUT的情况,它支持PassThru™(直通)工作模式。在突发工作模式(Burst Mode®)下,该集成电路(IC)的VIN引脚静态电流非常低。它可以编程为或同步至最高3 MHz,因此外部元件和核心解决方案的尺寸得以减小。该器件采用Silent Switcher®架构,在实现高效率的同时有效减少了电磁干扰(EMI)。它采用紧凑的4 mm × 4 mm LQFN封装。
高性能24 V、3 A电源
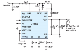
图1所示为实现了输出短路保护的24 V升压应用。当输入电压高于12 V时,它可以提供最大3 A的负载电流。当在RT引脚放置15 kΩ电阻时,开关频率设置为2 MHz。

图1.带有输出短路保护的2 MHz、24 V升压转换器。
通过配置SYNC/MODE引脚,这款升压转换器可以工作在突发模式或跳脉冲模式,具体取决于应用需求。突发模式可在轻负载条件下提供更高的效率,而跳脉冲模式则能够降低输出纹波。图2显示了该24 V应用在突发模式下的效率(SYNC/MODE = 0 V)。在轻负载条件下,效率保持在70%以上;当输入电压为20 V时,在3 A时效率达到95%以上的峰值。

图2.突发模式(SYNC/MODE = 0 V)下的效率和功率损耗与电流的关系。

图3.传导EMI性能(CISPR 25 5类峰值)。
低IQ电流
在突发工作模式下,LT8342提供较小单脉冲电流以维持输出电压,然后进入休眠周期。在休眠期间,如果未使能短路保护,VIN引脚仅消耗9 µA电流;如果使能短路保护,该引脚消耗28 µA电流。负载越小,该器件处于休眠模式的时间比例就越大,因此轻负载下的效率会更高。此外,IC处于关断模式时,仅消耗350 nA的输入静态电流。
CISPR 25 5类辐射结果
该IC提供可选的展频(SSFM)模式,结合Silent Switcher架构,使EMI辐射进一步降低。通过配置SYNC/MODE引脚使能SSFM时,内部振荡器频率在其编程值和大约高出13%的值之间变化。根据CISPR 25 5类标准,传导和辐射EMI结果分别如图3和图4所示。SSFM还可以在突发模式或跳脉冲模式下激活,从而同时实现低EMI和高效率。

图4.辐射EMI性能(CISPR 25 5类峰值)。
短路保护
该转换器具有输出短路保护机制,可防止其在短路事件中受损。外部检测电阻和N沟道FET(与转换器输入串联)可监控电流,并在必要时断开输入。当流过检测电阻的电流上升到足够高的程度,以至触发内部比较器的电压阈值时,IC会将把GATE引脚拉至地,从而关断外部FET并限制短路电感电流。图5和图6中的波形展示了输出端发生短路事件时IC的典型响应。

图5.输出短路保护。
内部打嗝定时器计数40 ms,然后重新接通外部FET。如果短路仍然存在,则当触发电流检测时,输入会再次断开。

图6.输出短路期间的打嗝现象。
PassThru工作模式
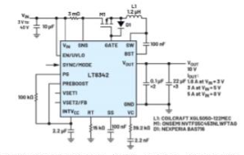
LT8342是汽车预升压应用的理想选择,此类应用中升压转换器的输入电压通常高于稳定输出电压。当发生这种情况时,IC进入PassThru模式。顶部内置同步电源开关保持100%占空比导通,而底部开关保持关断,从而创建从输入到输出的直通路径。该器件还能进入低静态电流状态:当未使能短路保护时,其消耗12 µA电流;当使用外部输入断开FET时,其消耗26.5 µA电流。图7显示了汽车启停和冷启动的预升压应用,图8展示了PassThru模式激活时的运行情况。

图7.汽车启停和冷启动使用的2 MHz预升压转换器,提供10 V输出和短路保护。

图8.PassThru工作模式,VIN = 12 V,ILOAD = 1 A。
结语
LT8342在一个紧凑的封装内集成了多种特性,能够实现低噪声、低输入电流、高效率和电路保护。该器件具有宽输入和输出范围、可编程开关频率、低噪声和PassThru模式,非常适合一般升压应用和汽车预升压应用。突发工作模式和低输入静态电流使其在轻负载下的效率超过典型升压转换器的效率。
901