扫码加入

  • 正文
  • 相关推荐
申请入驻 产业图谱

AH5160C:65V,3A宽输出范围,低纹波,同步降压DCDC转换器

2025/12/10
552
加入交流群
扫码加入
获取工程师必备礼包
参与热点资讯讨论

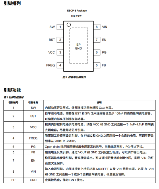
AH5160C 是一款高功率密度同步降压转换器输入电压范围 4.5~65V(支持 80V 瞬态电压),输出电压 1V~VIN 可调,最大输出电流 3A,采用 ESOP8 增强散热封装(顶部标识 5160 YW),结温工作范围 - 40℃~125℃,所有端口具备 ±2000V(HBM)ESD 防护,适用于工控系统电源、宽电压输入电源、低纹波低噪声电源等场景。

芯片内部集成 130mΩ 高侧 MOS 管与 95mΩ 低侧 MOS 管,无需额外功率器件;支持 CCM/DCM/PFM 模式自适应切换,轻载时开启 SKIP 跳脉冲模式,静态工作电流仅 130μA,能效表现优异。开关频率通过 FREQ 引脚外接电阻可调(200KHz~2MHz),公式为 R_FREQ (kΩ)=81053/Fs (kHz)-21,提供 400kHz、1MHz、2MHz 等现成配置方案,适配不同体积与效率需求。

输出电压通过 FB 引脚分压电阻调节,推荐使用精度 ±1%、温度系数≤100ppm 的电阻,避免反馈环路受噪声干扰。内置完善保护机制:输入欠压锁定(4V 上升沿 / 3.6V 下降沿)、逐周期过流保护(高侧峰值 3.7A / 低侧峰值 3.3A)、输出短路保护(打嗝模式,5ms 触发 / 4ms 重启)、过温保护(160℃触发 / 145℃滞回),PG 引脚提供电源正常指示(需 10k~100kΩ 上拉电阻)。

一、AH5160C的特性

支持80V的瞬态电压

工作输入电压范围:4.5V-65V

带调频和EN使能功能

输出电压范围:1V-VIN

集成上下功率管,最大输出电流3A

工作频率可配置:200KHz~2MHz

CCM/DCM/PFM模式自适应切换

内部环路补偿,简化系统设计

电源正常指示

支持大负载电容启动

保护功能:UVLO/OCP/SCP/OTP

结温范围为-40°C至+125°C

所有端口都具备士2000V(HBM)ESD保护

提供增强散热ESOP-8封装

二、AH5160C的应用信息

1、典型应用图

2、引脚排列及定义

3、基础参数

相关推荐