• 正文
  • 相关推荐
申请入驻 产业图谱

矽力杰 Silergy SY7215A 同步升压调节器 佰祥电子

04/11 09:06
1103
加入交流群
扫码加入
获取工程师必备礼包
参与热点资讯讨论

导语:

在当前大容量快充移动电源(Power Bank)及高功率网络设备(High Power AP)的设计中,研发人员常常被三大行业痛点所困扰:大电流输出时缺乏精准的限流保护、设备关断状态下电池存在严重漏电、以及高负载运行时的热失控风险。作为整个供电系统的心脏,大功率升压调节器的控制精度与隔离能力,从根本上决定了终端产品的安全下限与续航上限。作为矽力杰一级代理商及华南地区最大的矽力杰代理商,佰祥电子本期将为您深度拆解SY7215A大功率同步升压调节器。

图1:SY7215A满载工况下的卓越转换效率曲线

一、原生集成:一体化架构设计,适配大功率设备场景需求

SY7215A并非简单的PWM控制器与外围MOSFET的粗糙拼接,而是立足于高功率电池供电系统全场景需求的一体化原生架构设计。该芯片在内部高密度集成了:

(1)9mΩ超低导通电阻的主开关N-FET

(2)12mΩ超低导通电阻的同步整流N-FET

(3)12mΩ超低导通电阻的真关断(True Shutdown)隔离N-FET

(4)自适应恒定关断时间与电流模式双环路控制中枢

(5)高度精准的可编程输出电流限制模块

(6)PG(Power Good)电源良好状态指示模块

(7)完善的输出短路保护与开机软启动机制

在极为紧凑的QFN4×4-18封装内实现了强悍驱动、极致低损、精准控制、全面防护的四重平衡,完美适配高端移动电源、大功率热点AP等一站式大电流供电解决方案。

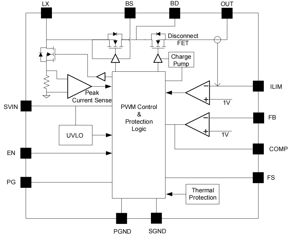
图2:SY7215A原生三管(含断连管)架构功能框图

二、五大核心技术亮点,破解大功率升压设计痛点

SY7215A支持3V至16V宽压输入,内置主开关峰值限流高达惊人的20A(典型值),提供250kHz至1MHz的可编程伪恒定开关频率。核心集成了三颗超低内阻MOSFET并具备真正意义上的负载完全断开功能,采用高导热的QFN4×4-18微型封装。

亮点1:15A级强悍动力与精准输出限流,收放自如

(1)内置极致低阻抗的三管架构(主开关9mΩ+整流管12mΩ+断连管12mΩ),即使在满载大电流冲刺下,也能将导通发热压制到最低极值。

(2)具备保证下限为15A(典型值20A)的主开关峰值电流驱动能力,为后级大功率负载提供源源不断的充沛动力。

(3)独家引入高精度可编程输出电流限制功能(ILIM),工程师仅需调整一颗接地电阻,即可在1A至5A范围内精确锁定输出电流上限,彻底杜绝过载隐患。

亮点2:真关断物理隔离与短路保护,绝对安全

(1)原生集成真关断(True Shutdown)功能,当使能引脚(EN)拉低时,内部断连FET彻底切断输入与输出的直流通路,静态漏电流被死死掐断在5μA以内。

(2)具备强悍的输出短路保护机制(Output Short Circuit Protection),一旦探测到输出端发生致命短路,芯片瞬间封锁能量传递,避免电池起火爆炸。

(3)配备专属的PG(Power Good)漏极开路指示引脚,精准监测输出电压状态,极大简化了复杂系统中的电源时序控制逻辑。

图3:SY7215A输出短路保护与PG信号精准时序波形

亮点3:超宽频可编程与极速瞬态响应,稳定如山

(1)开关频率可通过外部电阻在250kHz至1000kHz超宽区间内无级编程,赋予硬件工程师对EMI底噪和电感磁性器件体积的绝对掌控权。

(2)采用进阶版自适应恒定关断时间及电流模式控制架构(Adaptive constant OFF time and current mode control),面对突发阶跃负载时,输出电压纹波依然波澜不惊。

(3)内部预留了COMP补偿引脚,允许工程师根据不同容值的输出电容(无论是陶瓷电容还是电解电容),灵活配置Type 2/2a外围补偿网络,打造坚如磐石的环路稳定性。

亮点4:宽电压环境自适应与工业级防护,无懈可击

(1)输入电压支持3V至16V宽幅跳变,无论是单节/多节锂电池串联,还是常规的5V/9V/12V适配器电源,均能无缝接管并高效升压。

(2)内置115%标准电压的输出过压保护(OVP)动作阈值,当输出失去控制瞬间越限时,立刻强制关断动作,确保后级元器件不被高压击穿。

(3)集成150℃结温热关断(Thermal Shutdown)防护,配合20℃的滞回区间,构筑起大功率持续输出的最后一道抗热失控防线。

图4:SY7215A大功率精准限流应用典型电路推荐

亮点5:高密度引脚布局与紧凑封装,榨干布板空间

(1)采用面积仅为4mm × 4mm的QFN4×4-18贴片封装,在寸土寸金的智能硬件主板上,为大电流供电系统节省了极大的物理面积。

(2)封装底部自带大面积PGND接地散热焊盘,通过多过孔直接贯通PCB底层,使内部三颗大功率MOSFET产生的热量得以极速散退。

(3)极为科学的管脚排布逻辑,使得大电流输入(SVIN/LX)、输出(OUT/BD)与敏感控制信号(FB/COMP/FS)在物理空间上实现良好隔离,天生具备抗干扰体质。

三、产品核心价值与定位

归根结底,SY7215A绝非一款普通的“升压转换器”,而是矽力杰针对大功率移动设备场景,在超低导通发热、精准负载限流、真关断彻底隔离、高灵敏短路保护、极致功率密度五大核心维度上做出的精密工程取舍,淋漓尽致地展现了矽力杰在高端电源管理芯片领域的统治力。

图5:SY7215A微型高导热QFN4×4-18封装及布板参考

在实战应用中,该芯片是打造大容量多口快充移动电源(Power Bank)、企业级大功率无线路由(High Power AP)等对安全性与输出功率要求极其苛刻产品的首选心脏。

作为矽力杰一级代理商及华南地区最大的矽力杰代理商,佰祥电子不仅提供原装正品的SY7215A全系列芯片,更将持续结合客户的实际大电流产品应用场景,提供从器件选型、环路补偿计算、高频PCB Layout优化到系统级Debug的全方位技术支持,助力您的高端智能硬件产品在消费电子与网络通讯领域实现更高效、更可靠的落地。

在未来设备对快充功率和电池安全标准日益苛刻的趋势下,具备真关断与精准限流的大电流电源管理芯片必将成为硬件架构的重中之重,而SY7215A无疑是当下工程师征服大功率电源设计壁垒的巅峰利器。

相关推荐