扫码加入

  • 产品详情
  • 附件下载
申请入驻 产业图谱

SM5102-海川半导体锂电池转干电池芯片

  • 型号:SM5102
  • 制造商:泉州海川半导体有限公司
联系方式:15914136482

产品详情

附件下载

参数

  • 型号

    SM5102

  • 充电模式

    线性

  • 充电电压

    4.5-5.5V

  • 输入最高耐压

    7V

  • 充电电流

    1A

  • 过放保护电压

    2.75V

  • 过放恢复电压

    BAT>3.0V

  • 待机电流

    6uA

  • 输出电压

    1.5V

  • 输出电流

    3A

  • 充电类型

    同口

  • NTC

    支持

介绍

简介

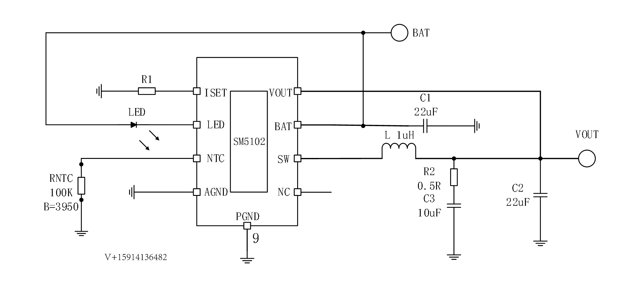
SM5102 是一款锂电池放电管理专用芯片。充电工作时, 可以为 3.7V 锂电池进行充电,电流最高可配置 1A。放电工作时,采用开关频率 1MHz 同步降压转换器进行放电,放电电流可以达到3A。内部集成欠压保护、短路保护、过温保护功能。SM5102 集成充电、充满及短路状态指示。NTC 脚可以实时监测电池温度,确保电池安全。SM5102 空载时自耗电仅 6uA。

芯片型号

SM5102
封装形式
DFN3x3-8 / DFN2x2-6


核心功能

  • 3.7V锂电池充放电一体化管理

  • 替代传统1.5V干电池(支持串联使用)


关键参数

充电部分

放电部分

  • 输出电压:1.5V(可模拟干电池放电曲线)

  • 最大放电电流:3A

  • 空载功耗:仅6μA

  • 放电效率:高达92%(Buck模式)

  • 开关频率:1MHz(同步降压)


工作模式

  • 充电模式:当VOUT > VBAT + 100mV时启动

  • 放电模式

    • Buck模式负载电流 > 25mA

    • LDO模式:负载电流 < 3mA(空载高效)


保护功能

  • 欠压保护(UVLO):2.75V

  • 短路保护(打嗝模式)

  • 过温保护(OTP):充电时130℃降流,放电时150℃关断

  • NTC电池温度监测(支持充放电温控)

  • 过流保护(OCP):逐周期限流4A


状态指示(LED)

  • 充电中:1Hz闪烁

  • 充满:常亮

  • 电池未接:20Hz快闪

  • 放电异常:1Hz闪烁8次后熄灭


典型应用

  • SM5102规格书v1.32.pdf
    下载