核心技术优势/方案详细规格/产品实体图/PCB/方块图Datasheet/测试报告/Gerber/Schematics/User manual +一键获取
背景
长城汽车作为一家全球智能科技公司,打造了以能源、智能化位导向的森林生态体系,确立混动、纯电、氢能三轨并行发展的道路。随着长城汽车在智能驾驶、智能座舱、智能底盘等方面的深入发展,传统12V低压系统需要提升电流输出能力来满足更加智能的控制器系统,电流输出能力的提升必然增加线束线径从而导致整车重量加大。为了实现智能化和整车轻量化的共同发展,长城技术中心开展了低压12V升级到48V的相关验证。
英飞凌作为全球领先的汽车半导体厂商,为客户提供全面的系统级解决方案,同时也结合客户的未来需求提供最新的解决方案。为了更好的了解客户的需求,英飞凌设立应用中心,贴近客户,共同开展新产品、新应用、新技术的相关工作。
基于长城&英飞凌应用中心,长城技术中心和英飞凌共同合作,结合长城汽车的实际需求开发了一款12V&48V一级智能配电测试板。
作者:长城汽车电子电气架构经理 张良
英飞凌应用中心工程师 曾喆
测试板特性
- 48V负载输出
- 1路电子保险丝(efuse)输出
- 2路智能高边(HSD)输出
- 1路有刷电机(DC)输出
- 2路无刷电机(BLDC)输出
- 电子保险丝(efuse)保护机制
- 过压、欠压提前预警和关闭输出
- 过流提前预警和关闭输出
- 过温保护和关闭输出
- 软件可编程自恢复逻辑
- 故障状态读取和记录
- 电机保护机制
- 过压、欠压保护
- 过流保护
- 故障状态读取和记录
图1 12V&48V混合一级智能配电测试板
测试板功能介绍
测试板根据一级智能配电的需求进行设计,在混动车型和纯电车型实现智能化的电子配电方案。
测试板基于传统的12V低压系统,部分大电流负载升级到48V。在保留现有400V/12V DCDC和12V电池的前提下通过添加一个双向12V/48V DCDC进行48V负载测试。48V供电部分采用12V/48V DCDC 和48V 电池。
基于高阶自动驾驶、智能座舱等智能化的趋势,12V的负载输出采用电子保险丝(efuse)代替传统的保险丝。48V的负载输出采用智能高边和智能驱动+mosfet的方式。
图2 12V/48V混合一级智能配电框图
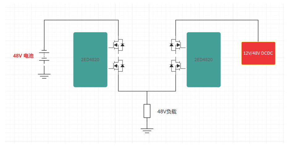
48V供电采用双电源方式分别是12V/48V DCDC和48V电池,12V/48V DCDC和48V电池通过2ED4820进行管理。
- 正常工作情况下左右两路2ED4820打开,12V/48V DCDC给48V负载供电同时给48V电池充电;
- 如果12V/48V DCDC异常,关闭右路2ED4820采用48V电池给48V负载供电;
2ED4820是英飞凌开发的一款适用于12V/24V/48V的智能门级驱动芯片。
图3 48V主供电框图
随着智能驾驶的提升,线控底盘控制器也会越来越多。为了满足高阶自动驾驶和整车功能安全要求,针对线控制动控制器供电采用双路冗余同时差异化的智能配电输出,采用智能门级驱动+mosfet的方式给IBC1供电,另外一路采用BHT50015给IBC2供电。
图4 IBC供电
测试板集成了两路三相无刷电机(BLDC)驱动分别用于驱动水泵和散热风扇。为了测试对比采用了两款不同的BLDC驱动芯片,两款BLDC驱动都支持48V应用分别是TLE9180和TLE9140。
TLE9140是英飞凌开发的一款满足24V/48V BLDC应用的驱动芯片。
- 工作电压范围8.0V~75V
- 集成BEMF比较器
- 可编程驱动输出
- 过压、欠压、过流、过温等诊断保护机制
- SPI通信
- 开发流程按照ISO26262,满足ASILB的安全关断路径
测试板可以实现12V和48V负载输出电流和电压的实时监控。
12V负载部分采用一个主的2ED2410作为12V的输入,每路12V输出采用电子保险丝(efuse)和智能高边驱动(HSD)。
48V负载部分采用两个主的2ED4820作为48V输入,48V输出采用智能高边和电机驱动芯片。
2870
