扫码加入

  • 正文
  • 相关推荐
申请入驻 产业图谱

光耦合器的概念、特点及应用!

02/24 15:58
64
加入交流群
扫码加入
获取工程师必备礼包
参与热点资讯讨论

  什么是光耦合器,它的特点是什么,使用哪些电路

  一、光耦合器调节开关电源中的电压

我们知道,作为开关电源,光耦合器在电路中的电源是从高频变压器的二次电压中获得的。一旦输出电压因各种原因降低,反馈电流就会相应增加。相应的增加变大,结果输出电压上升;如果输出电压上升,电流会变小,占空比也会降低,输出电压会降低。

一旦高频变压器的次级负载过载或开关电路出现故障,就没有光耦合器电源。此时,光耦合器控制开关电路无法启动,最后保护开关不击穿,因此光耦合器在开关电源中。通常,它用作隔离,提供反馈信号和开关。

下图显示了由光耦合器PC817齐纳二极管组成的开关电源电路。一些开关电源与TL431一起形成更高精度的电路。请注意,此类光耦合器通常是线性光耦合器。

  二、光耦合器在交流

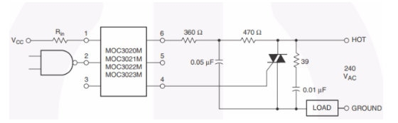
负载中充当开关由于光耦合器具有单向传输,并且输入与输出电隔离,因此输出信号对输入端没有影响,因此广泛用于各种隔离电路。对于电力电子,它应用于交流负载。更有,通过双向晶闸管一起形成一个强大的抗干扰隔离电路,如下图所示,注意增加限流电阻,此外还要增加RC吸收环路或并联压敏电阻中的输出负载,这有助于保护负载。

  三、过零检测

实现过零的方法有很多种。有两个二极管串联,也可以通过光耦合器转换,如下图所示。

使用两个光耦合器,使用交流输入,两个光耦合器并联连接。在电源的正半周期和负半周期中,两个光耦合器分别导通。当电源不在过零点时,只有一个光耦合器导通。输出很低。当电源过零时,两个光耦合器不导通。此时,由于R3的作用,引脚输出高电平,从而在输出端获得周期为10ms的脉冲信号。由于该电路由光耦合器隔离,因此该过零检测电路比串联二极管的电路更安全。四、其他应用除了这三者之外,光耦合器还有其他应用,如触发电路、逻辑电路、脉冲放大器电路等。

 

以上就是本文的全部内容,如果觉得本文对您有所帮助,请持续关注本司网站https://www.a-semi.com以及“先进光半导体”微信公众号,我们将给您带来更多新闻资讯和知识科普!

相关推荐