扫码加入

  • 正文
  • 相关推荐
申请入驻 产业图谱

LTC3605A兼容替代芯片AH53605A: 4-20V/5A 同步降压DCDC稳压器

2025/12/23
685
加入交流群
扫码加入
获取工程师必备礼包
参与热点资讯讨论

AH53605A是一款与LTC3605A完全引脚兼容的高集成度同步降压稳压器,引脚定义、管脚功能与封装规格全面匹配,无需修改PCB即可无缝替代LTC3605A,适用于FPGA处理器供电、工业电源分布式电源及负载点(POL)供电等原LTC3605A适配场景。芯片输入电压范围4~20V,最大输出电流5A,工作结温-40℃~125℃,采用24引脚4mm×4mm QFN封装,与LTC3605A封装尺寸完全一致,安装兼容性拉满。

核心性能与LTC3605A高度对齐,集成70mΩ上侧功率MOSFET与35mΩ下侧功率MOSFET,开关频率可通过外部电阻在800kHz~4MHz范围内编程,支持与外部时钟同步,同时兼容多相交错并联功能,最多可级联12相以降低输入输出电容需求。输出电压调节方式与LTC3605A一致,适配原电路分压电阻配置,电压精度优异,满足高精度供电需求。

保护机制全面兼容,内置输入欠压锁定、逐周期过流保护、过温保护、输出过压/欠压保护及PGOOD输出状态指示功能,保护阈值与LTC3605A匹配,保障系统稳定运行。外围配置可直接复用LTC3605A方案,电感、电容等器件无需重新选型,最大程度降低替换成本与设计周期。

芯片转换效率最高可达95%,静态功耗控制优异,抗干扰能力强,所有端口具备ESD防护功能,可靠性媲美LTC3605A。其引脚兼容、功能一致、外围通用的特性,使其成为LTC3605A的高性价比替代方案,完美适配各类中高压、大电流降压供电场景。

一、AH53605A的特性

高达96%的效率

轻载条件下可调节断续模式与强制连续模式

集成上下功率MOS管

输入电压范围:4V~20V

输出电流5A

外部可调频率范围:800kHz~2MHz

可支持多相交错并联工作模式(高达12相交错并

联模式)

可调节的软起动和输出电压追踪功能

基准电压0.6V,温度范围内精度±1%

电流控制模式提供优越的线性和负载瞬态响应

可提供24引脚(4mm×4mm)QFN封装

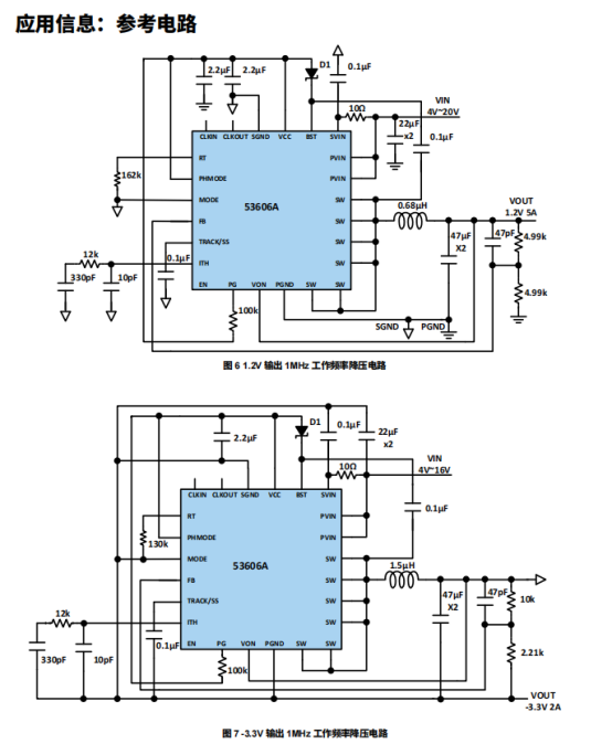
二、AH53605A的应用信息

1、AH53605A的典型应用图

2、引脚排列及定义

3、功能框图

4、基础参数

相关推荐